- Sku:
- Vendor: TRACKTOR CATALOG OUTLET
Manitou Series ML MLT
This is a digital product that is delivered immediately after payment and is available for download instantly.
DETAILS
Size: 41.3MB
Format: PDF
Brand: Manitou
Number of pages 40
Type of document: Workshop manual
Comprehensive step-by-step repair guides
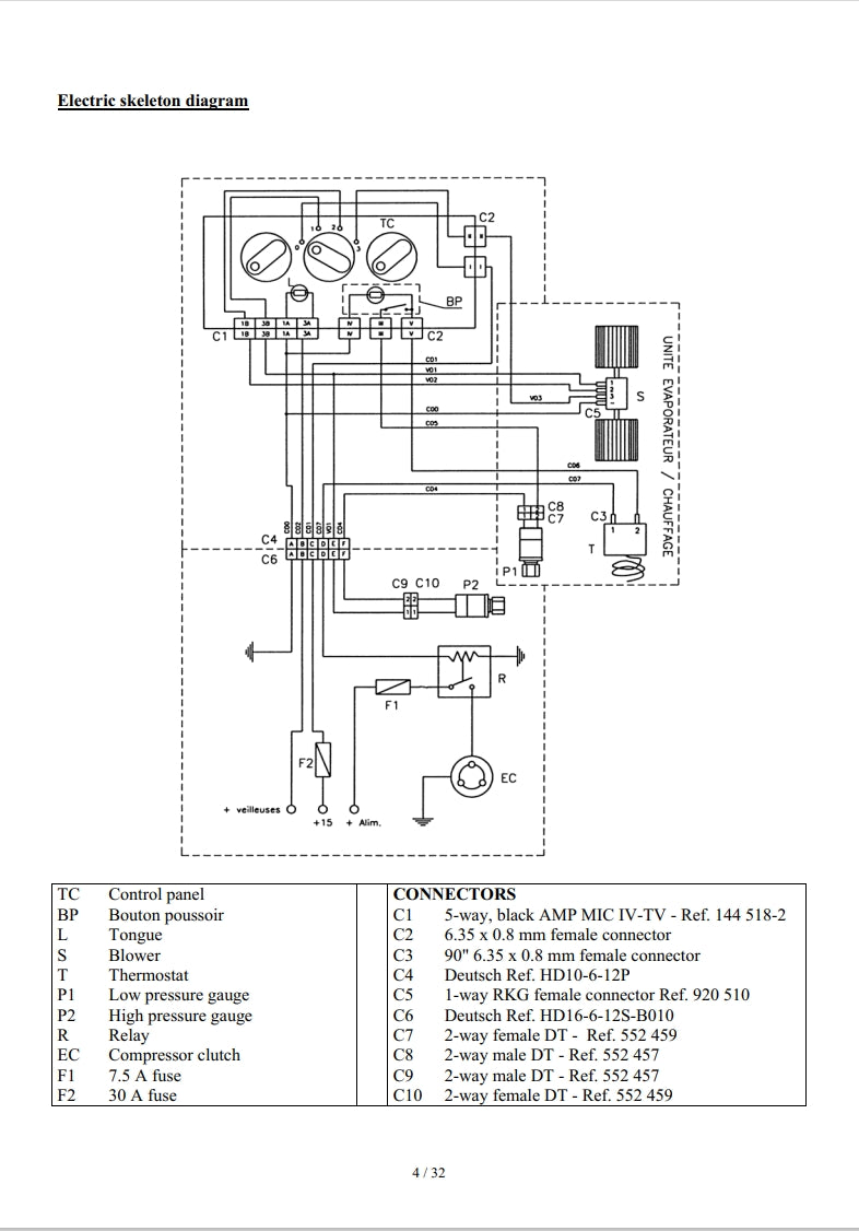
Wiring diagrams & schematics for easy troubleshooting
Expert maintenance tips to extend equipment lifespan
Clear illustrations for better understanding
Save time and money with DIY repairs
Have a question?

Manitou Series ML MLT

